Find Your Part
 
# Part Details Price
(each)
Qty on
Diagram
Add to
Cart
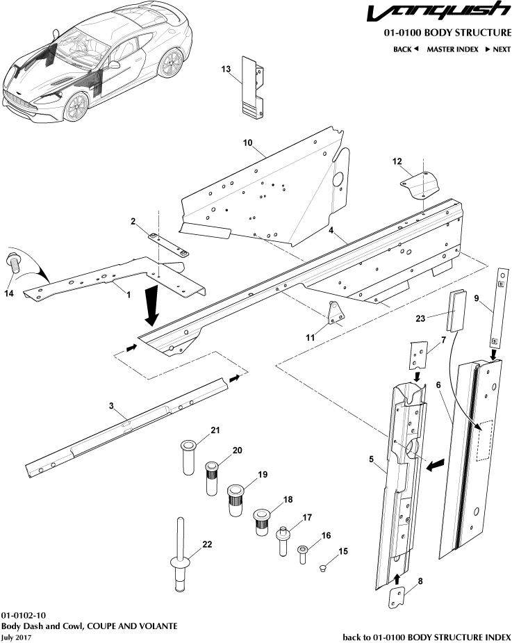
- DG4316430AA
Reinforcement, Hood Striker Plate, RH
Structural. Cat A Only
- 1 Enquire
- DD4316184AC
Extrusion, Front Wing RH
Structural. Cat A Only
- 1 Enquire
- GOED33F02661AA
Pillar, Front Body, Lower Front, LH
Volante,Structural. Cat A Only
- 1 Enquire
- GODG43F02660AB
Pillar, Front Body, Lower Front, RH
Coupe,Structural. Cat A Only
- 1 Enquire
- GOED33F02660AA
Pillar, Front Body, Lower Front, RH
Volante,Structural. Cat A Only
- 1 Enquire
- GOED33F02663AA
Extrusion, Front Body Pillar Lower, LH
Volante,Structural. Cat A Only
- 1 Enquire
- GODG43F02662AC
Extrusion, Front Body Pillar Lower, RH
Coupe,Structural. Cat A Only
- 1 Enquire
- GOED33F02663AA
Extrusion, Front Body Pillar Lower, LH
Volante,Structural. Cat A Only
- 1 Enquire
- ED3371490AA
Nutplate, A Post Hinge, Upper, RH
Structural. Cat A Only
- 1 Enquire
- 6G3315110AB
Nutplate M8, ??post hinge, lower, RH
Structural. Cat A Only
- 1 Enquire
- 22AA542GP
GAS STRUT DOOR RH
Volante,Structural. Cat A Only
- 1 Enquire
- HG4316154AA
REINF FRT FNDR APR U
Coupe,Structural. Cat A Only
- 1 Enquire
- RY5313E796AE
CNSL ROLL SW LEFT HE
Volante,Structural. Cat A Only
- 1 Enquire
- 22AC192GP
GUIDE - VANE FRONT - LH INT
Structural. Cat A Only
- 1 Enquire
1 DG4316431AA
Reinforcement, Hood Striker Plate, LH
Structural. Cat A Only
- 1 Enquire
2 8G43199901AA
Nutplate, M6 Headlamp Bracket
Structural. Cat A Only
- 2 Enquire
3 GODG4317F790BA
Nutplate, Shotgun, M10
Structural. Cat A Only
- 2 Enquire
4 DD4316185AC
Extrusion, Front Wing LH
Structural. Cat A Only
- 1 Enquire
5 GODG43F02661AB
Pillar, Front Body, Lower Front, LH
Coupe,Structural. Cat A Only
- 1 Enquire
6 GODG43F02663AC
Extrusion, Front Body Pillar Lower, LH
Coupe,Structural. Cat A Only
- 1 Enquire
7 ED3371491AA
Nutplate, A Post Hinge, Upper, LH
Structural. Cat A Only
- 1 Enquire
8 22AB326GP
TAILGATE COOLING AIR DUCT RH
Structural. Cat A Only
- 1 Enquire
9 6G33486226AA
Nutplate, M8, IP beam
Structural. Cat A Only
- 2 Enquire
10 DG4316155AB
REINF FRT FNDR APR U
Coupe,Structural. Cat A Only
- 1 Enquire
11 DD3318178AA
Bracket, Gas Damper Mounting
Structural. Cat A Only
- 2 Enquire
12 22AC191GP
GUIDE - VANE FRONT - RH EXT
Structural. Cat A Only
- 1 Enquire
13 AG339N790BA
Spacer Assy, Accelerator Pedal, RHD
RHD,Structural. Cat A Only
- 1 Enquire
14 703121
Screw, M8 x 25, Hex Flange Head
-
IN STOCK
- A/R Enquire
15 6G3368885AB
SELF PIERCING RIVET 5.0 x 6.0mm
-
- A/R Enquire
16 703074
Rivet, 4.65 x 13.8
Structural. Cat A Only
- A/R Enquire
17 6G3368865AB
SPS
Structural. Cat A Only
- A/R Enquire
18 6G3354428AA
RIVNUT M6 FLAT HEAD KNURLED 1.5-3.0mm GRIP Zn/Ni
Structural. Cat A Only
- A/R Enquire
19 6G3356316AA
RIVNUT M8 FLAT HEADED KNURLED 2-3.5 mm GRIP Zn/Ni
Structural. Cat A Only
- A/R Enquire
20 6G3368401AA
RIVNUT M6 FLAT HEAD CLOSED KNURLED 1.5-3 mm GRIP Zn/Ni
Structural. Cat A Only
- A/R Enquire
21 6G3346768AA
RIVNUT M6/M10L FLAT HEAD 1.5-3mm GRIP Zn/Ni
Structural. Cat A Only
- A/R Enquire
22 6G3368676AC
Rivet Structural 6.5 x 14, Blind
Structural. Cat A Only
- A/R Enquire
23 7784981PK
Tape, Anti Rattle Rear Quarter Wheel
Pack of 10
- 4 Enquire

Haven't found what you're looking for?

Original Parts Tuning Parts Need help? Call us