Genuine Ferrari Part

L.H. SECONDARY CYLINDER WIRE

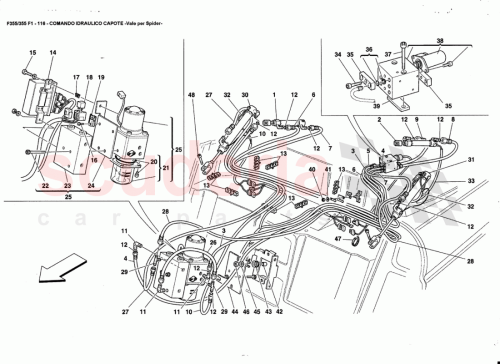
For Ferrari 355 (5.2 Motronic)

Part Number: 177803

Please Enquire for Price

Enquire Now

Availability & Shipping

  • This car part is: Subject to Availability
  • Part Condition: New
  • Enquire now and we'll contact you within one working day

Payment Options:
Payment Options Icons

L.H. SECONDARY CYLINDER WIRE

Product Description:
Ferrari part number 177803 is an essential top hydraulic control component specifically engineered for the 355 (5.2 Motronic) Spider model. This part plays a critical role in managing the hydraulic system, which is vital for the proper functioning of various engine components. Constructed from high-quality materials, it ensures durability and resistance to wear under high-pressure conditions. The installation of this hydraulic control unit is located within the engine compartment, requiring careful handling and precise alignment during installation. Regular inspection of the hydraulic system is recommended to identify any signs of leaks or malfunctions, which could indicate the need for replacement. Failure to address issues with the hydraulic control can lead to decreased engine performance and potential damage to other engine components. Ensure that this part is compatible with your specific model to maintain optimal performance and safety.

This car part is suitable for the following models:
355 (5.2 Motronic)

See Fitment Details for more information.
Model Subcategory
355 (5.2 Motronic) TOP HYDRAULIC CONTROL -Valid for Spider-

WHAT OUR CUSTOMERS SAY ABOUT US




Haven't found what you're looking for?

Original Parts Tuning Parts Need help? Call us